Фитинги и Арматура КИП

Клапанные блоки (манифольды) серии SM

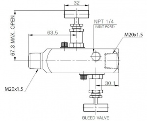
картинка Клапанные блоки (манифольды) серии SM
Тип продукции
  • SM - Клапанный блок
  • -
Размер 1
  • M20x1.5
  • 1/4"
  • 1/2"
  • 2"
  • -
Тип присоединения 1
  • резьба (N) - NPT-F внутр.
  • резьба (N) - NPT-M наруж.
  • резьба метрическая наруж.
  • -
Размер 2
  • 1/4"
  • 1/2"
  • M20x1.5
  • -
Тип присоединения 2
  • резьба (N) - NPT-F внутр.
  • резьба метрическая внутр.
  • -
Производитель
  • S-LOK (HanSun Engineering), Ю. Корея
  • -
Корпус
  • 3-х вентильный
  • 5-ти вентильный
  • 2-х вентильный
  • кронштейн для монтажа
  • -
Давление
  • 413 бар
  • -
Температура
  • -54..232 °C
  • -54..648 °C
  • -
Материал
  • нерж. 316
  • нерж. 304
  • -
17 948.40 руб.
шт
Давление: 6000psig/413бар;
Температура: -53~232°C/-65~450°F (с уплотнением Grafoil до 648°C/1200°F);
Материалы: нерж. сталь 316SS, другие материальные исполнения по запросу;
Для удаленной и непосредственной установки;
Цельный корпус и закаленный золотник для увеличения срока службы;
Межосевое расстояние 2-1/8" (54mm);
Скачать каталог ENG

Наличие на складах

Фитинги и Арматура КИП